| фирма ВИВАС manager@vivas.com.ua | Одесса+380 487001892 |
|||
|---|---|---|---|---|
| ЗАВОД ПЕРЕРАБОТКИ КУКУРУЗЫ 100 ТОНН/СУТ (Китай) | ||||
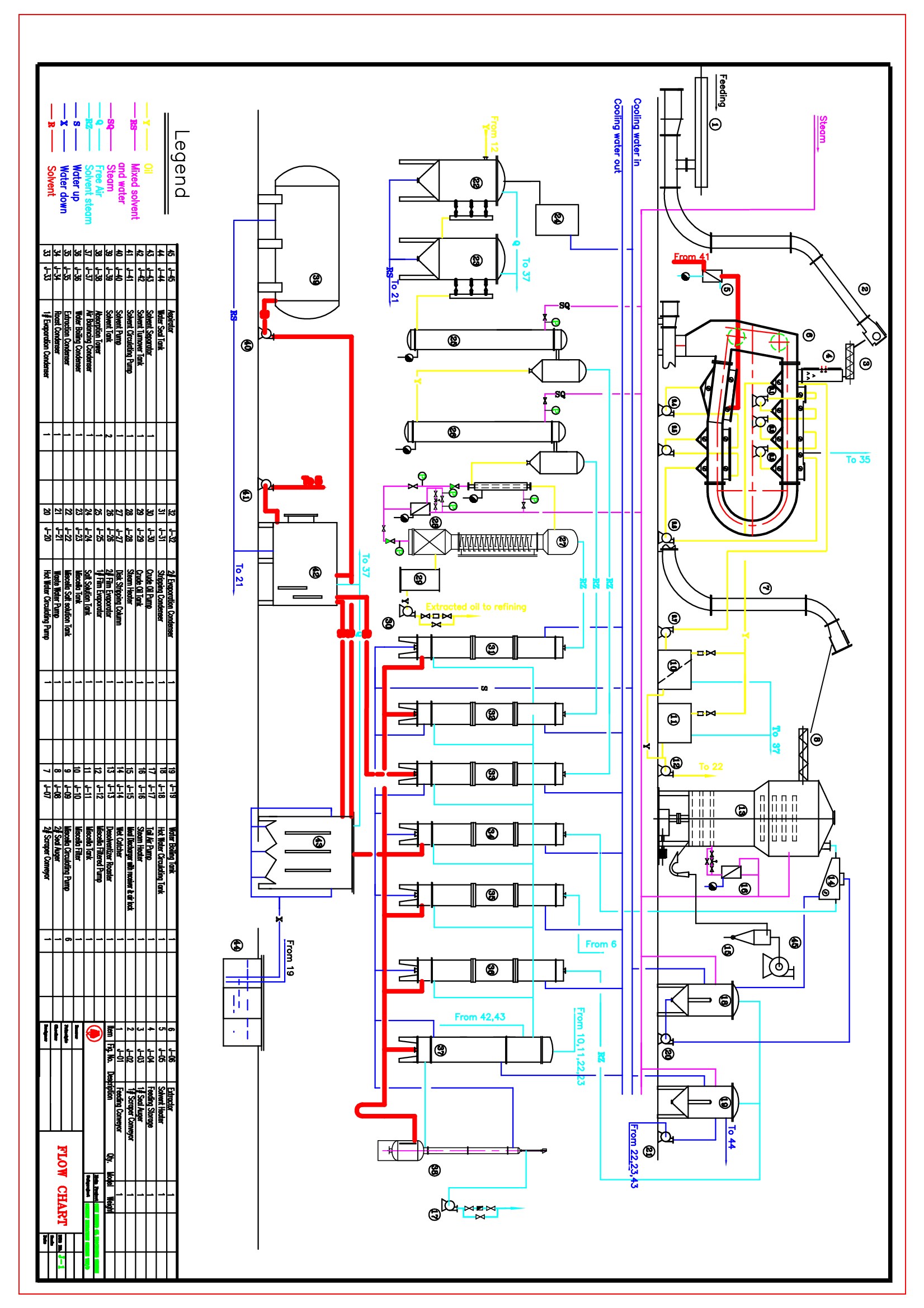
| ЛИНИЯ ЭКСТРАКЦИИ ЖМЫХА ЗАРОДЫША
7 ТОНН/СУТ См. технологическую схему |
Наименование |
эл.мощность(квт) | К-во (ед) | |
| 1 | Оборудование | 37,65 | 50 |
| 2 | Электрооборудование, системы контроля | 1 комплект | |
| 3 | Инсталляционные материалы | 1 лот | |
| 4 | Запорно-вентильная арматура | 1 лот | |
| Итого: | 37,65 |
| Общая установленная мощность: 37.65квт | Циркуляционная вода: 20 тонн/час приблиз. | |
| Потребление пара: 300 кг/час приблиз | Остаточность сольвента в масле: 500 промилле максимум. | |
| Потребление сольвента: 4,5кг на 1 тонну жмыха приблиз. | Остаточность сольвента в шроте: 700 промилле приблиз. | |
| Остаточное масло в шроте: 1.4% максимум | ||
| № | Рис.№ | Оборудование | Мощ-сть | Кол-во | Размеры | Вес | Примечание |
| квт | шт | LxWxH (mm) | кг | (материал) | |||
| 1 | J-01 | Feeding Conveyor | 2,2 | 1 | 10000×300×400 | 1500 | Q235-A |
| 2 | J-02 | 1# Scraper Conveyor | 2,2 | 1 | 4000×260×6000 | 1000 | Q235-A |
| 3 | J-03 | 1# Seal Auger | 0,75 | 1 | 2000×300×500 | 100 | Q235-A |
| 4 | J-04 | Feeding Storage | 1 | 600×400×2500 | 100 | Q235-A | |
| 5 | J-05 | Solvent Heater | 1 | 3000×250×150 | 20 | Q235-A | |
| 6 | J-06 | Extractor | 2,2 | 1 | 10000×700×3000 | 8000 | Q235-A/SUS304 |
| 7 | J-07 | 2# Scraper Conveyor | 2,2 | 1 | 4000×260×9000 | 2000 | Q235-A |
| 8 | J-08 | 2# Seal Auger | 0,75 | 1 | 2000×300×300 | 100 | Q235-A |
| 9 | J-09 | Micella Circulating Pump | 0.75*7 | 7 | (440×340×330)*7 | 100*7 | Q235-A |
| 10 | J-10 | Micella Filter | 1 | 1000×500×1200 | 200 | Q235-A | |
| 11 | J-11 | Micella Tank | 1 | 1500×900×1200 | 300 | Q235-A | |
| 12 | J-12 | Micella Pump | 0,75 | 1 | 440×340×330 | 100 | Q235-A |
| 13 | J-13 | Desolventizer Roaster | 7,5 | 1 | 1700×1700×8000 | 400 | Q235-A |
| 14 | J-14 | Wet Catcher | 1 | 1500×300×1500 | 100 | Q235-A | |
| 15 | J-15 | 3# Scraper Conveyor | 1,1 | 1 | 15000×150×6000 | 2000 | Q235-A |
| 16 | J-16 | Steam Heater | 1 | 600×400×700 | 100 | Q235-A | |
| 17 | J-17 | Tail Air Pump | 0,37 | 1 | 270×388×410 | 100 | Q235-A/Al |
| 18 | J-18 | Hot Water Circulating Tank | 1 | 1000×1000×2500 | 300 | Q235-A | |
| 19 | J-19 | Water Boiling Tank | 1 | 1000×1000×2500 | 300 | Q235-A | |
| 20 | J-20 | Hot Water Circulating Pump | 0,75 | 1 | 440×340×330 | 100 | Q235-A |
| 21 | J-21 | Waste Water Pump | 0,75 | 1 | 440×340×330 | 100 | Q235-A |
| 22 | J-22 | Miscella Salt Solution Tank | 1 | 900×700×2500 | 400 | Q235-A | |
| 23 | J-23 | Miscella Tank | 1 | 900×700×2500 | 400 | Q235-A | |
| 24 | J-24 | Salt Solution Tank | 1 | 500×500×1000 | 50 | Q235-A | |
| 25 | J-25 | 1# Film Evaporator | 1 | 400×300×5000 | 400 | Q235-A | |
| 26 | J-26 | 2# Film Evaporator | 1 | 250×150×5000 | 200 | Q235-A | |
| 27 | J-27 | Disk Stripping Column | 1 | 440×400×6000 | 1200 | Q235-A | |
| 28 | J-28 | Steam Heater | 1 | 500×300×700 | 80 | Q235-A | |
| 29 | J-29 | Crude Oil Tank | 1 | 700×600×1100 | 100 | Q235-A | |
| 30 | J-30 | Crude Oil Pump | 1,5 | 1 | 800×350×3000 | 100 | Q235-A |
| 31 | J-31 | Stripping Condenser | 1 | 400×300×3500 | 1000 | Q235-A/Al | |
| 32 | J-32 | 2# Evaporation Condenser | 1 | 400×200×3500 | 1000 | Q235-A/Al | |
| 33 | J-33 | 1# Evaporation Condenser | 1 | 400×300×3500 | 1500 | Q235-A/Al | |
| 34 | J-34 | Extraction Condenser | 1 | 300×200×3500 | 500 | Q235-A/Al | |
| 35 | J-35 | Roast Condenser | 1 | 800×600×3500 | 2000 | Q235-A/Al | |
| 36 | J-36 | Water Boiling Condenser | 1 | 400×300×3500 | 1000 | Q235-A/Al | |
| 37 | J-37 | Air Balancing Condenser | 1 | 300×200×3500 | 500 | Q235-A/Al | |
| 38 | J-38 | Absorption Tower | 1 | 350×350×7000 | 300 | Q235-A | |
| 39 | J-39 | Solvent Tank | 1 | 6000×1800×2200 | 4000 | Q235-A | |
| 40 | J-40 | Solvent Pump | 1,1 | 1 | 440×340×330 | 100 | Q235-A |
| 41 | J-41 | Solvent Circulating Pump | 0,75 | 1 | 440×340×330 | 100 | Q235-A |
| 42 | J-42 | Solvent Turnover Tank | 1 | 2000×1600×1800 | 400 | Q235-A | |
| 43 | J-43 | Solvent Separator | 1 | 1500×800×2200 | 400 | Q235-A | |
| 44 | J-44 | Water Seal Tank | Supplied by customer | ||||
| 45 | J-45 | Aspirator | 7,5 | 1 | 1200×1200×1200 | 200 | Q235-A |
| За
дополнительной информацией обращайтесь: фирма "ВИВАС" 65023 г.Одесса, ул. Нежинская 69 к.2 tel+380 48 7001892 +380 94 952 4892 manager@vivas.com.ua https://vivas.com.ua |
вернуться |